菜单
Chinese
English
首页
公司介绍
合作伙伴
厂房设备
新闻资讯
产品技术资讯
行业动态
公司新闻
产品中心
纽子摇头开关
小型钮子开关
20A 大纽子开关
船型翘板开关
大翘板开关
小翘板开关
按键按钮开关
按键按钮开关
金属按钮开关
轻触按钮开关
脚踏按钮开关
12mm塑胶按键
其他开关
防水微动开关
旋转开关
滑动开关
钥匙开关
拨码开关
指示灯
点火开关
滤波器,DC插座,AC 插座与RJ45连接器
电源滤波器
DC插座
RJ45连接器
AC插座
电位器
产品应用
联系我们
Home
>>
产品中心
>>
按键按钮开关
>>
12mm塑胶按键
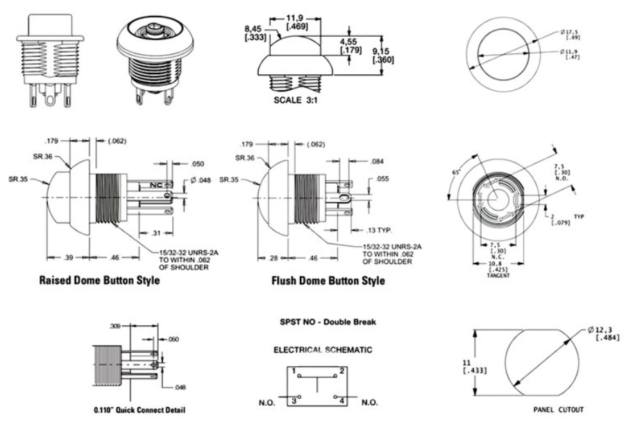
12mm防水按钮开关 工控防水按键开关
Tags:
咨询产品
规格说明
产业应用
PDF下载
热门产品
询盘
规格说明
产业应用
PDF下载
下载PDF
热门产品
12mm防水按钮开关 工控防水按键开关
12mm球形手柄按钮自复位小型电子遥控器专用绿色防水小型按键开关
12mm自锁按键开关
12MM 防水塑料按键开关
留言给我们
提 交
首页
产品中心
关于我们
产品应用
联系我们
PG电子(中国)官方网站 - PG造就电子传奇